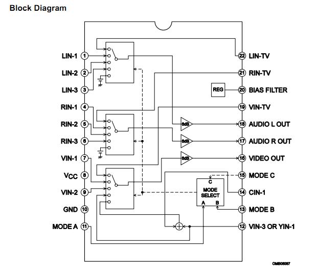
Product Summary
The LA7958N is a Audio/Video Switch for TV, VTR.
Parametrics
LA7958N absolute maximum ratings: (1)Maximum supply voltage, VCC V max: 13.2 V; (2)Allowable power dissipation, Pd max: 300 mW; (3)Operating temperature, Topr: -20 to +70℃; (4)Storage temperature, Tstg: -55 to +150℃.
Features
LA7958N features: (1)Audio: Possible to Change 4 Channel×2; (2)Video: Possible to Change 4 Channel, 6dB Amplifier, Y+C Amplifier.
Diagrams

![]() |
![]() LA79100V |
![]() Other |
![]() |
![]() Data Sheet |
![]() Negotiable |
|
||||
![]() |
![]() LA79200 |
![]() Other |
![]() |
![]() Data Sheet |
![]() Negotiable |
|
||||
![]() |
![]() LA79200M |
![]() Other |
![]() |
![]() Data Sheet |
![]() Negotiable |
|
||||
![]() |
![]() LA79200V |
![]() Other |
![]() |
![]() Data Sheet |
![]() Negotiable |
|
||||
![]() |
![]() LA79500E |
![]() Other |
![]() |
![]() Data Sheet |
![]() Negotiable |
|
||||
![]() |
![]() LA79503V |
![]() Other |
![]() |
![]() Data Sheet |
![]() Negotiable |
|
||||
(China (Mainland))








