Product Summary
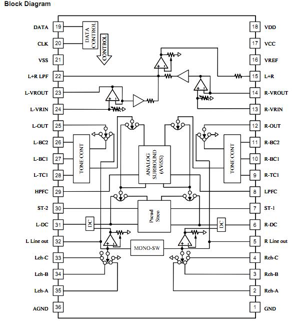
The LV1116N is a sound processor IC developed for use in TV sets. The LV1116N incorporates the surround processing functions including (AViSS), pseudo stereo function, (L+R) output, and the major functional blocks of an electronic volume control IC.
Parametrics
LV1116N absolute maximum ratings: (1)Maximum supply voltage, VCC max: 10.5V; (2)Allowable power dissipation, Pd max1: 700mW ; (3)Allowable power dissipation, Pd max2 : 550 mW; (4)Operating temperature, Topr: -25 to +70℃; (5)Storage temperature, Tstg: -40 to +125℃.
Features
LV1116N features: (1)Input function SWs (stereo inputs [L, R]); (2)LINE OUT pin (through output); (3)Input gain control (-6dB, -4dB, 0dB, 4dB, 6dB: 5 positions); (4)AViSS (ON/OFF/4-stage level control); (5)Tone control (BASS: ±20dB, TREBLE: ±18dB [in 2dB steps]); (6)Master volume control (0dB~-14dB: 1dB steps/-14dB~-80dB: 2dB steps/-∞=-82dB); (7)Balance control; (8)THROUGH mode/MUTE mode; (9)Pseudo stereo function (ON/OFF/MONO); (10)L+R output with LPF (MUTE + 7-stage level control: 8 positions). ; (11)I2C bus control.
Diagrams

| Image | Part No | Mfg | Description | ![]() |
Pricing (USD) |
Quantity | ||||
|---|---|---|---|---|---|---|---|---|---|---|
![]() |
![]() LV1116N |
![]() Other |
![]() |
![]() Data Sheet |
![]() Negotiable |
|
||||
![]() |
![]() LV1116NV |
![]() Other |
![]() |
![]() Data Sheet |
![]() Negotiable |
|
||||
(China (Mainland))









