Product Summary
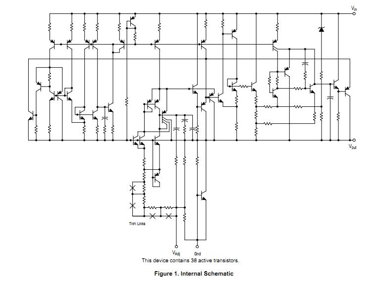
The MC33269DR2-5.0 is a low dropout, medium current, fixed and adjustable, positive voltage regulator. It is specifically designed for use in low input voltage applications. The MC33269DR2-5.0 can offer the circuit designer an economical solution for precision voltage regulation, while keeping power losses to a minimum. The regulator consists of a 1.0 V dropout composite PNP-NPN pass transistor, current limiting, and thermal shutdown.
Parametrics
MC33269DR2-5.0 absolute maximum ratings: (1)Power Supply Input Voltage, Vin: 20 V; (2)Power Dissipation, PD: Internally Limited; (3)Thermal Resistance, Junction-to-Ambient, θJA: 92℃/W; (4)Thermal Resistance, Junction-to-Case, θJC: 6.0℃/W; (5)Operating Die Junction Temperature Range, TJ: -40 to +150℃; (6)Operating Ambient Temperature Range, TA: -40 to +125℃; (7)Storage Temperature, Tstg: -55 to +150℃; (8)Electrostatic Discharge Sensitivity (ESD), Human Body Model (HBM): 4000V; Machine Model (MM): 400V.
Features
MC33269DR2-5.0 features: (1)3.3 V, 5.0 V, 12 V and Adjustable Versions. 2.85 V version available as MC34268; (2)Space Saving DPAK, SOP-8 and SOT-223 Power Packages; (3)1.0 V Dropout; (4)Output Current in Excess of 800 mA; (5)Thermal Protection; (6)Short Circuit Protection; (7)Output Trimmed to 1.0% Tolerance; (8)Pb-Free Package is Available.
Diagrams

| Image | Part No | Mfg | Description | ![]() |
Pricing (USD) |
Quantity | ||||||||||||
|---|---|---|---|---|---|---|---|---|---|---|---|---|---|---|---|---|---|---|
![]() |
![]() MC33269DR2-5.0 |
![]() ON Semiconductor |
![]() Low Dropout (LDO) Regulators 5.0V ADJ 800mA |
![]() Data Sheet |
![]() Negotiable |
|
||||||||||||
![]() |
![]() MC33269DR2-5.0G |
![]() ON Semiconductor |
![]() Low Dropout (LDO) Regulators 5.0V ADJ 800mA |
![]() Data Sheet |
![]()
|
|
||||||||||||
(China (Mainland))









