Product Summary
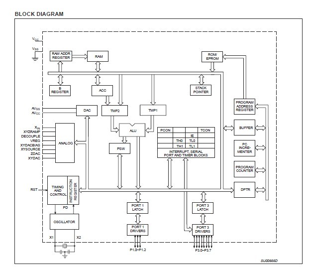
The Philips P83C754EBDDB offers many of the advantages of the 80C51 architecture in a small package and at low cost. The P83C754EBDDB Microcontroller is fabricated with Philips high-density CMOS technology. Philips epitaxial substrate minimizes CMOS latch-up senitivity. The P83C754EBDDB contains a 4k × 8 ROM (83C754), a single module PCA, a 256 × 8 RAM, 11 I/O lines, two 16-bit counter/timers, a two-priority level interrupt structure, a full duplex serial channel, an on-chip oscillator, and an 8-bit D/A converter. Once the array has been programmed, it ifs functionally equivalent to the masked ROM 83C754.
Parametrics
Absolute maximum ratings:(1)Oscillator frequency, 1/tCLCL: from 3.5 to 16MHz at variable clock; (2)High time, tCHCX: the min value is 20ns at 16Mhz, 20 ns at variable clock; (3)Low time, tCLCX: the min value is 20ns at 16Mhz, 20 ns at variable clock; (4)Rise time, tCLCH: the max value is 20ns at 16Mhz, 20 ns at variable clock; (5)Fall time, tCHCL: the max value is 20ns at 16Mhz, 20 ns at variable clock.
Features
Features: (1)Available in erasable quartz lid or One-Time Programmable plastic packages; (2)80C51-based architecture; (3)Small package sizes – 28-pin SSOP; (4)Wide oscillator frequency range; (5)Power control modes: Idle mode and power-down mode; (6)4k × 8 ROM (83C754) EPROM (87C754); (7)256 × 8 RAM; (8)Two 16-bit auto reloadable counter/timers; (9)Single module PCA counter/timer; (10)Full duplex serial channel; (11)Boolean processor; (12)CMOS and TTL compatible.
Diagrams

![]() |
![]() P83C528 |
![]() Other |
![]() |
![]() Data Sheet |
![]() Negotiable |
|
||||
![]() |
![]() P83C557E4 |
![]() Other |
![]() |
![]() Data Sheet |
![]() Negotiable |
|
||||
![]() |
![]() P83C557E6 |
![]() Other |
![]() |
![]() Data Sheet |
![]() Negotiable |
|
||||
![]() |
![]() P83C562 |
![]() Other |
![]() |
![]() Data Sheet |
![]() Negotiable |
|
||||
![]() |
![]() P83C592 |
![]() Other |
![]() |
![]() Data Sheet |
![]() Negotiable |
|
||||
![]() |
![]() P83C654X2 |
![]() Other |
![]() |
![]() Data Sheet |
![]() Negotiable |
|
||||
(China (Mainland))







