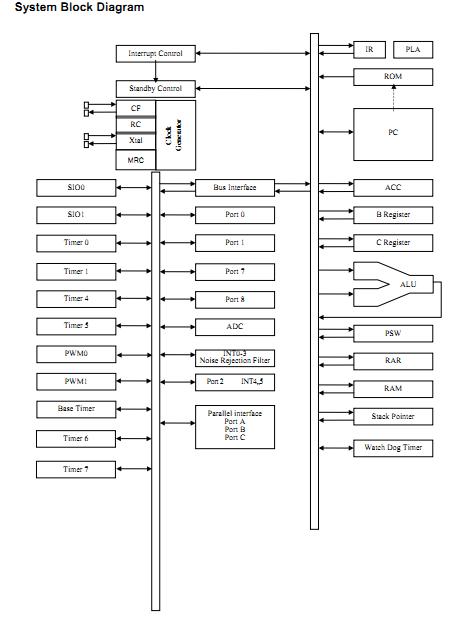
Product Summary
The LC875763B-52Z4 is a 8-Bit Single Chip Microcontroller incorporating 64K-byte ROM and 2K-byte RAM on chip.
Parametrics
LC875763B-52Z4 absolute maximum ratings: (1)Supply voltage, VDDMAX : -0.3 +7.0V; (2)Input voltage, VI: -0.3 to VDD+0.3V; (3)Output voltage, VO: -0.3 to VDD+0.3V; (4)Input/Output voltage, VIO: -0.3 to VDD+0.3 V; (5)high level output current, peak outptut current, IOPH: -10mA min; total output current: IOAH: -5mA min; (6)low level output current, peak outptut current, IOPL: 20mA max; total output current: IOAL: 10mA max; (7)Maximum power consumption, Pdmax: 271mW; (8)Operating temperature range, Topg: -30 to 70℃; (9)Storage temperature range, Tstg: -55 to 125℃.
Features
LC875763B-52Z4 features: (1)Read Only Memory (ROM): 65536 × 8 bits; (2)Random Access Memory (RAM): 2048 × 9 bit; (3)Bus Cycle Time: 100ns (10MHz); (4)Minimum Instruction Cycle Time: 300ns (10MHz); (5)High speed clock counter: Maximum of 20MHz possible (when using a 10MHz main clock); Real-time output; (6)Serial interface.
Diagrams

![]() |
![]() LC871A32A |
![]() Other |
![]() |
![]() Data Sheet |
![]() Negotiable |
|
||||
![]() |
![]() LC871H92A |
![]() Other |
![]() |
![]() Data Sheet |
![]() Negotiable |
|
||||
![]() |
![]() LC871H96A |
![]() Other |
![]() |
![]() Data Sheet |
![]() Negotiable |
|
||||
![]() |
![]() LC871HC4A |
![]() Other |
![]() |
![]() Data Sheet |
![]() Negotiable |
|
||||
![]() |
![]() LC871HC4SA |
![]() Other |
![]() |
![]() Data Sheet |
![]() Negotiable |
|
||||
![]() |
![]() LC871HC8A |
![]() Other |
![]() |
![]() Data Sheet |
![]() Negotiable |
|
||||
(China (Mainland))








